投注
EN
企业邮箱
关于投注
投注简介
董事会
组织机构
品牌形象
投注
发展历程
资质荣誉
党的建设
新思想新实践
旗帜领航
党徽闪耀
投注新闻
投注资讯
投注公告
媒体聚焦
国资动态
行业动态
产品与服务
标准
试验检测
计量
能力验证
绿色低碳及核查认证
技术研究及咨询
行业信息
科技创新
科技创新动态
科技创新成果
创新能力体系
CHPTL
CHPTL概况
CHPTL组织机构及成员
CHPTL证书报告
申请成为CHPTL成员
联系我们
CHPTL会员专区
人才招聘
人才战略
人才招聘
联系方式
投资者关系
社会责任
全国绝缘子标准化技术委员会
投注
--
产品与服务
--
标准
--
各标委会网站
--
全国绝缘子标准化技术委员会
--
投注公告
--
正文
全国绝缘子标准化技术委员会
委员会概况
标准体系架构
委员构成
工作动态
投注公告
标准发布
IEC动态
委员会概况
标准体系架构
委员构成
工作动态
投注公告
标准发布
IEC动态
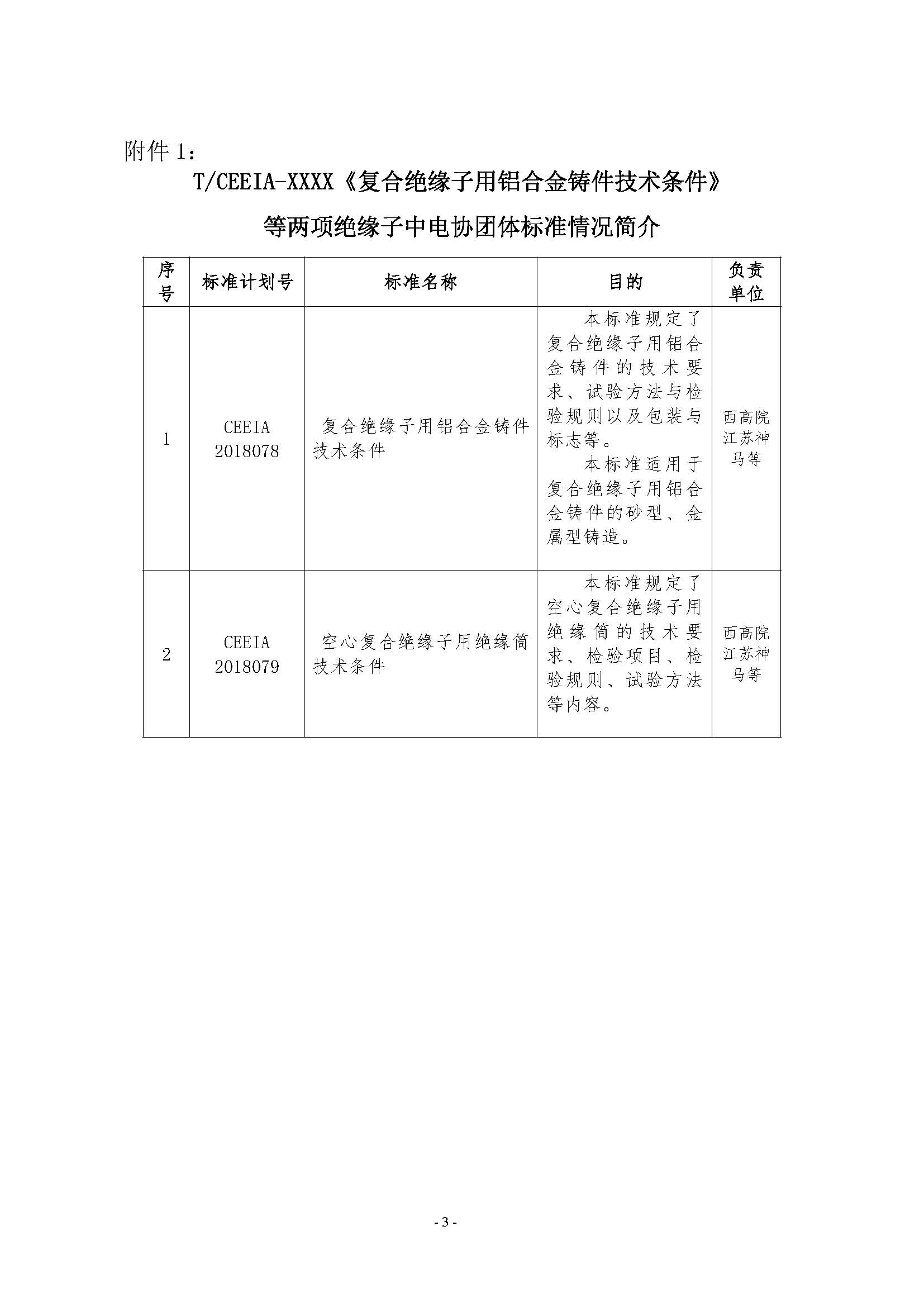
征集T/CEEIA-XXXX《复合绝缘子用铝合金铸件技术条件》和T/CEEIA《空心复合绝缘子用绝缘筒技术条件》等两项中国电器工业协会团体标准起草工作组成员的通知
时间:2019-09-20
作者:
阅读量:
字号:
小
中
大
分享到:
文件下载(点击下载)
上一篇:
关于绝缘子技术领域两项CEEIA团体标准征求意见的通知
下一篇:
开始征集国家标准GB/T 1001.1-XXXX《标称电压高于1 000 V的架空线路绝缘子 第1部分:交流系统用瓷和玻璃绝缘子元件——定义、试验方法和判定准则》(征求意见稿)的意见
TOP